Каталог
Каталог Написать в WhatsApp
Мотоэкипировка

Коленчатый вал, поршни и шатуны 2-Х ТАКТНОГО ПЛМ MERCURY 55 Серийный номер от 0G590000 до 0G760299

Коленчатый вал, поршни и шатуны 2-Х ТАКТНОГО ПЛМ MERCURY 55 Серийный номер от 0G590000 до 0G760299 в Самаре: актуальный каталог, цены, фото, описание. Купите коленчатый вал, поршни и шатуны 2-х тактного плм mercury 55 серийный номер от 0g590000 до 0g760299 в кредит – оформите заявку онлайн за 1 минуту!

Оригинальные запчасти

Артикул НАИМЕНОВАНИЕ Кол-во деталей в узле Примечание Наличие Цена Аналоги Фото
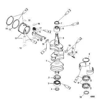
1 827954T2 Коленчатый вал (CRANKSHAFT)

Под заказ

1

Под заказ

уточнить

Купить
2 43019A2 Шестерня-привод маслонасоса (GEAR KIT-DRIVER)

Под заказ

1

Под заказ

уточнить

Купить
3 63742T Шарикоподшипник (BEARING-BALL)

Под заказ

1

Под заказ

уточнить

Купить
4 812877 Стопорное кольцо (RING-RETAINING)

Под заказ

1

Под заказ

уточнить

Купить
5 91800 Шпонка вала (Key)

Под заказ

2

Под заказ

уточнить

Купить
6 850026T1 Поршень (PISTON ASSY-STD)

Под заказ

3

Под заказ

уточнить

Купить
7 850026T2 Поршень (PISTON ASSY-.015 )

Под заказ

3

Под заказ

уточнить

Купить
8 857196 Стопорное кольцо (RING-LOCK @15)

Под заказ

6

Под заказ

уточнить

Купить
9 831255A6 Кольца поршневые (RING SET-STD)

Под заказ

1

Под заказ

уточнить

Купить
10 821695A6 Кольца поршневые 1 рем. (RING SET-.015 OS)

Под заказ

3

Под заказ

уточнить

Купить
11 9612A6 Шатун (CONN ROD ASSY)

Под заказ

3

Под заказ

уточнить

Купить
12 8M0012298 Упорная шайба (THRUST WASHER)

Под заказ

6

Под заказ

уточнить

Купить
13 47270 Иголка подшипника (BRG-NEEDLE @200)

Под заказ

87

Под заказ

уточнить

Купить
14 91012 Болт шатуна (SCREW-SPEC @5)

Под заказ

6

Под заказ

уточнить

Купить
15 8M0045428 Подшипник (BEARING KIT)

Под заказ

3

Под заказ

уточнить

Купить
16 852071T97 Блок в сборе 60-2х такт. 3цил. (POWERHEAD)

Под заказ

1

Под заказ

уточнить

Купить

Нулевая цена не означает отсутствие товара. Оформите заказ, и менеджер сообщит вам цену и наличие товара, предварительно запросив их у поставщика

Главная Магазины
Корзина0
Профиль